제품소개 Geared Reducer
TWGV Type
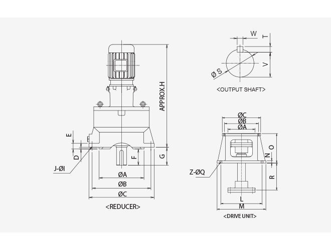
Dimension
| Model |
Reducer |
| A |
B |
C |
D |
E |
F |
H |
J-ØI |
| TWGV-165 |
Ø240 |
Ø280 |
Ø320 |
4 |
17 |
65 |
512 |
4-Ø18 |
| TWGV-200 |
Ø340 |
Ø370 |
Ø395 |
4 |
22 |
89 |
563 |
6-Ø12 |
| Model |
Output Shaft |
Drive Unit |
| S |
W |
T |
V |
L |
M |
N |
O |
R |
Z-ØQ |
| TWGV-165 |
Ø42 |
12 |
8 |
37 |
Ø300 |
Ø330 |
15 |
210 |
200 |
4-Ø14 |
| TWGV-200 |
Ø48 |
16 |
10 |
49 |
Ø330 |
Ø390 |
20 |
225 |
200 |
4-Ø17 |
- Motor : 극수는 4P 기준임
- Approx. H : 동력에 따라서 치수 변경
- 조립볼트 체결시 Torque 값 참조
- 설계반영에 따라 사이즈 변경 및 제외 가능
태우기계주식회사Taewoo Machinery Co.,Ltd.
- 서울특별시 구로구 부일로 815번길 38 (온수동 100-20)
- TEL. (02)2611-0101~5 FAX. (02)2611-0108 E-mail. tw78@tae-woo.co.kr