태우기계주식회사Taewoo Machinery Co.,Ltd.

TWGV6TL Type

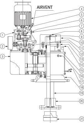
도면 제품사진

Dimension

Model A B C D E H R K Z-ØQ
TWGV6TL-075-70 Ø230 Ø265 Ø300 16 4 680 300 220 6-Ø15
TWGV6TL-085-80 Ø250 Ø300 Ø350 18 5 720 300 280 6-Ø19
TWGV6TL-095-95 Ø350 Ø400 Ø450 22 5 760 400 310 8-Ø19
TWGV6TL-105-110 Ø400 Ø450 Ø500 25 5 870 400 345 8-Ø19
TWGV6TL-125-120 Ø500 Ø550 Ø600 25 5 955 500 410 12-Ø23
TWGV6TL-155-130 Ø600 Ø650 Ø700 28 6 1015 500 450 12-Ø23
TWGV6TL-175-150 Ø680 Ø740 Ø800 40 6 1384 500 528 12-Ø23
TWGV6TL-195-180 Ø750 Ø825 Ø900 45 6 1565 600 620 12-Ø23
TWGV6TL-215-210 Ø850 Ø925 Ø1000 50 6 1625 600 740 12-Ø27

Part Name

도면

  1. 1st Reducer Case
  2. Torque Meter
  3. 2nd Reducer Case
  4. Motor
  5. Bearing
  6. Self-Lubricating Bearing
  7. Oil Gauge
  8. Drive Shaft Tip Bolt
  9. End Plate
  10. Coupling Falnge
  11. Gear
  1. Shear Pin
  2. Coupling Cover
  3. Air Vent
  4. Bearing
  5. Oil Gauge
  6. Oil Drain
  7. Reducer Flange
  8. Bearing
  9. Coupling Flange
  10. Metal Box
copyright © Taewoo Machinery Co., ltd. All rights reserved.

태우기계주식회사Taewoo Machinery Co.,Ltd.

화면 위로