제품소개 Cyclo Reducer
TWCV2R Type
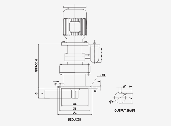
Dimension
| Model |
Reducer |
Output Shaft |
| A |
B |
C |
D |
E |
F |
G |
H |
J-ØI |
S |
W |
T |
V |
| TWCV2R-038 |
Ø140 |
Ø180 |
Ø210 |
4 |
13 |
55 |
69 |
171 |
6-Ø11 |
Ø38 |
10 |
8 |
33 |
| TWCV2R-050 |
Ø200 |
Ø230 |
Ø260 |
4 |
15 |
61 |
76 |
227 |
6-Ø11 |
Ø50 |
14 |
9 |
44.5 |
| TWCV2R-060 |
Ø270 |
Ø310 |
Ø340 |
4 |
20 |
80 |
89 |
299 |
6-Ø11 |
Ø60 |
18 |
11 |
53 |
| TWCV2R-070 |
Ø316 |
Ø360 |
Ø400 |
5 |
22 |
84 |
94 |
338 |
8-Ø14 |
Ø70 |
20 |
12 |
62.5 |
| TWCV2R-080 |
Ø345 |
Ø390 |
Ø430 |
5 |
22 |
100 |
110 |
504 |
8-Ø18 |
Ø80 |
22 |
14 |
71 |
| TWCV2R-095 |
Ø400 |
Ø450 |
Ø500 |
6 |
30 |
130 |
145 |
555 |
12-Ø18 |
Ø95 |
25 |
14 |
86 |
| TWCV2R-110 |
Ø400 |
Ø450 |
Ø500 |
7 |
35 |
130 |
145 |
492 |
12-Ø18 |
Ø110 |
28 |
16 |
100 |
| TWCV2R-120 |
Ø415 |
Ø475 |
Ø535 |
8 |
35 |
165 |
210 |
563 |
8-Ø27 |
Ø120 |
32 |
18 |
109 |
| TWCV2R-130 |
Ø415 |
Ø475 |
Ø535 |
8 |
35 |
165 |
210 |
651 |
8-Ø27 |
Ø130 |
32 |
18 |
119 |
| TWCV2R-140 |
Ø550 |
Ø600 |
Ø650 |
6 |
40 |
200 |
250 |
768 |
8-Ø23 |
Ø140 |
36 |
20 |
128 |
| TWCV2R-160 |
Ø550 |
Ø600 |
Ø650 |
6 |
40 |
200 |
250 |
768 |
10-Ø28 |
Ø160 |
40 |
22 |
147 |
- 1/121 ~ 1/7569 가능
- Motor : 극수는 4P 기준임
- 조립볼트 체결시 Torque값 참조
- 설계반영에 따라 사이즈 변경 및 제외 가능
태우기계주식회사Taewoo Machinery Co.,Ltd.
- 서울특별시 구로구 부일로 815번길 38 (온수동 100-20)
- TEL. (02)2611-0101~5 FAX. (02)2611-0108 E-mail. tw78@tae-woo.co.kr